比较器offset论文研读
笔者最近在做比较器的相关电路,需要仿真offset,如果 VFS=1V ,并且是10Bits的ADC的话,则要求offset满足 VOS<21LSB=0.48mV 。因此仿真计算比较器的offset有重大意义。
遗憾的是笔者在某宝买的虚拟机没有mis模型,跑不了蒙卡,因此笔者也就萌生出了手算offset的想法,故也就有了本文。
offset定义
offset定义:当比较器输出达到 2VDD 时,输入端 Vin 和 Vip 的差值。
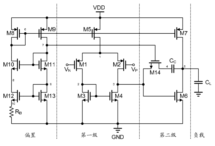
首先offset由系统失配和随机失配带来。系统失配指的是电路本身设计所带来的,如下图所示:
系统失配

在图1的二级运放电路图中我们需要保证M3、M4、M6的 VGS 一致,即若实际直流工作点存在偏差的话则会贡献有一部分offset,本文重点分析random mismatch带来的offset。
随机失配
在实际芯片生产过程中,存在梯度效应,简单来说就是工艺生产的不均匀性,所以可能存在沿某一方向某一指标的持续恶化,例如沿东南方向电子迁移率持续降低。这和Layout时尽量对角对称的初衷差不多。本文重点分析关于导通电压 VTH 和迁移率 μ 的mismatch,结合文中的结论,它近似满足如下分布:
σTH2σμi/μn2=W⋅LAVt2+SVT2⋅D2=W⋅LAμ2+Sμ2⋅D2
其中 AVt 为制造工艺决定的常数,D 为chip中各pair管子之间的距离。
其中的具体参数可以参考下方链接中的文档,也可参考下方的图2图3所示:
https://bbs.eetop.cn/thread-988998-1-1.html


手算offset
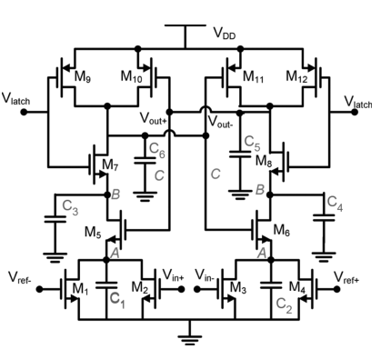
OK回归主题,开始计算offset。本文以图4所示的Lewis-Gray型动态比较器结构来分析:

思路十分简单:从KCL出发,将M5-M6 pair,M7-M8 pair,M10-M11 pair的电流与M1-M2、M3-M4的电流关联起来,同时通过KCL做差求解 VOS=Vin+−Vin− 。
思路就是这样,下面是具体的分析过程,为了考虑 VTH 和迁移率 μ 的mismatch,我们考虑如下形式引入微小变化量,以M5-M6 pair为例:
μ5μ6Vt5Vt6=μn+Δμ5=μn+Δμ6=Vtn+ΔVt5=Vtn+ΔVt6
考虑如下KCL方程:
ID5ID6=ID1+ID2=ID3+ID4
进而通过求解 Vin+−Vin− 求解 VOS。
阈值电压和迁移率mismatch的计算结果
本文基于如下简化分析,讨论:
选择 Vlatch 刚达到 VDD 时的时刻来分析;所有管子具有相同的栅长 L ;M1-M4具有相同的尺寸;同时各管子工作在如下工作区:
| 管子 |
工作区 |
| M1-M4 |
三极管区 |
| M5-M6 |
饱和区 |
| M7-M8 |
三极管区 |
| M10-M11 |
饱和区 |
其中M9和M12的mismatch影响可以忽略不记。同时考虑 VTH 和 μ 的失配服从Guassian分布,则各pair管子所贡献的 VOS 的方差满足下列式子:
σVOS−M5M62=(Vs5Vout+−Vs5−Vtn⋅W1W5)2⋅σVt52+(Vs6Vout−−Vs6−Vtn⋅W1W6)2⋅σVt62+(2⋅Vs5(Vout+−Vs5−Vtn)2⋅W1W5)2⋅σμ5/μn2+(2⋅Vs6(Vout−−Vs6−Vtn)2⋅W1W6)2⋅σμ6/μn2
σVOS−M1M42=σVt12+σVt42+(Vref−−Vtn)2⋅σμ1/μn2+(Vref+−Vtn)2⋅σμ4/μn2
σVOS−M2M32=σVt22+σVt32+(Vin+−Vtn)2⋅σμ2/μn2+(Vin−−Vtn)2⋅σμ3/μn2
σVOS−M10M112=(3⋅Vs5VDD−Vout+−Vtp)2⋅σVt102+(3⋅Vs6VDD−Vout+−Vtp)2⋅σVt112+(6⋅Vs5(VDD−Vout+−Vtp)2)2⋅σμ5/μn2+(6⋅Vs6(VDD−Vout+−Vtp)2)2⋅σμ6/μn2
σVOS−M7M82=(W2W7⋅Vs5Vds7)2⋅σVt72+(W2W7⋅Vs5Vds7)2⋅(Vlatch−Vd5−Vtn−2Vds7)2⋅σμ7/μn2+(W2W8⋅Vs5Vds8)2⋅σVt82+(W2W8⋅Vs5Vds8)2⋅(Vlatch−Vd5−Vtn−2Vds8)2⋅σμ8/μn2
考虑到每对pair的管子的mismatch是独立分布的,因此总的 VOS 满足下式:
σVOS=(σVOS−M5M62+σVOS−M1M42+σVOS−M2M32+σVOS−M7M82+σVOS−M10M112)1/2
下面这张图是40nm下比较器的offset的蒙卡仿真结果与手算结果的比较:

总体符合拉扎维先生在**《The Design of a Comparator》**一文中提出的结论:在一个典型的设计中,当把M7和M8之间的失调等效到输入端时,需要先除以一个大约为 Av=10 的因子(第二阶段的增益倍率);而当M10、M11导致的失调等效到输入端时,需要除以一个大约为10的因子,这是因为考虑到了M10、M11管只有在最后两个阶段的时候才导通。
但是拉扎维先生论文中比较器的电路和本文讨论的略有不同。
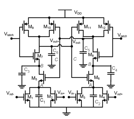
寄生电容mismatch的计算结果
此处先给出一些典型值,1fF的电容失配可能会带来输出结点几十毫伏的输入参考失配电压。其中包含寄生电容的比较器结构图如下图所示:

为简化分析,只讨论输出节点的寄生电容 C5 和 C6 ,同时忽略其他电容的分流作用,因此得到如下方程:
C5dtdVout−=C6dtdVout+=dtdVout−Ids1+Ids2Ids3+Ids4=dtdVout+
同时考虑 C5 和 C6 之间存在微小失配,即有下式:
C5=C6+ΔC56
进而得到:
VOS,C56=C6ΔC56μnCoxL2W2Vds1Ids3+Ids4
总结
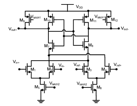
调整为下图所示的拓扑结构可以优化offset表现:

不愧是TCAS-I的文章,读起来就是通畅。
参考文献:
- Analyses of Static and Dynamic Random Offset Voltages in Dynamic Comparators
- https://wx.seu.edu.cn/_upload/article/files/78/6c/091d364c47e288410db0cc79f7a8/3ba08ec5-4c20-43fa-b82d-a7d9aff7ccd3.pdf